EN
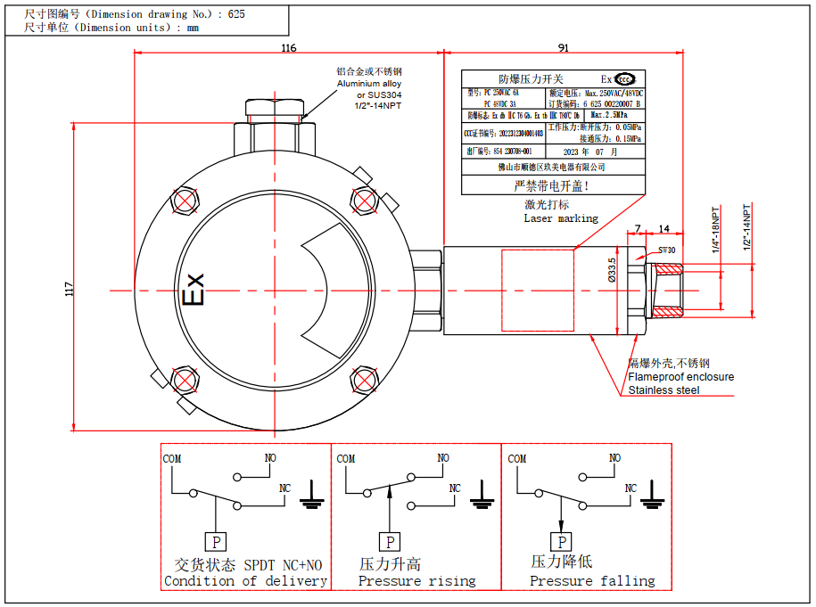
625

产品描述:

产品技术参数:

   产品名称:防爆压力开关

   工作压力:-14.5~3600PSI (可选)

   产品型号:PC 250VAC 6A、PC 48VDC 3A

   防爆标志:Ex db ⅡC T6 Gb,Ex tb ⅢC T80℃ Db

   外壳防护等级:IP67
   CCC证书编号:2022312304001403


   使用国际先进的不锈钢压力传感器制造,整体不锈钢结构,防水、防尘、防爆性能良好,压力可调节,自动测控系统内的压力,防止系统内的压力过高或过低,输出开关信号,起超压报警和低压报警作用。确保设备、系统、人员在安全的压力范围内工作。
   适用不同的流体压力介质:水、蒸汽、液压油、压缩空气、工业气体、空气、水、海水、自来水、江河湖水、井水、腐蚀性流体、化工制剂等。
   应用于易燃易爆危险性场所,配套应用于防爆电器设备:液压设备、蒸汽机、空压机、油压机、空调、锅炉、电力设备、焊接设备、真空系统、有轨机车、石油化工机械等。


625-C.png

上一个:624 下一个:626
玖美电器

© 2026 佛山市顺德区玖美电器有限公司 所有
备案号:粤ICP备12054806号

联系人/电话:
86-757-23602368,13809255125(技术支持,刘先生)
86-757- 29293359,18942477966(销售部, 张先生)
传真:86-757-26602558
邮箱: gm@ninegood.net (国内销售),glsd@ninegood.net(外贸部)
地址:中国,广东省,顺德区,容桂镇,昌宝西路,天富来工业城二期8座202