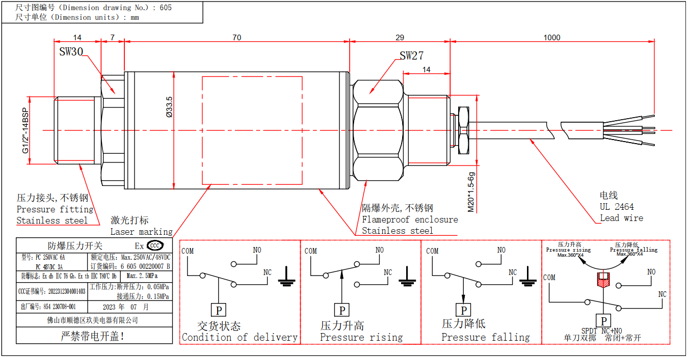
产品名称:防爆压力开关
工作压力:-14.5~3600PSI (可选)
产品型号:PC 250VAC 6A、PC 48VDC 3A
防爆标志:Ex db ⅡC T6 Gb,Ex tb ⅢC T80℃ Db
外壳防护等级:IP67
CCC证书编号:2022312304001403
使用国际先进的不锈钢压力传感器制造,整体不锈钢结构,防水、防尘、防爆性能良好,压力可调节,自动测控系统内的压力,防止系统内的压力过高或过低,输出开关信号,起超压报警和低压报警作用。确保设备、系统、人员在安全的压力范围内工作。
适用不同的流体压力介质:水、蒸汽、液压油、压缩空气、工业气体、空气、水、海水、自来水、江河湖水、井水、腐蚀性流体、化工制剂等。
应用于易燃易爆危险性场所,配套应用于防爆电器设备:液压设备、蒸汽机、空压机、油压机、空调、锅炉、电力设备、焊接设备、真空系统、有轨机车、石油化工机械等。
